半导体存储器
基础
- 内存以单位存储数据,二进制数据最小的单位是位;
- 许多应用中,以8位(或者多个8位)的单元处理数据,8位单元称为字节 ;
- 内存阵列中数据单元的位置称为地址;
- 内存可以存储的数据单位总数称为容量;
- 基本的内存操作分为写和读
操作
- 写操作

- 读操作

随机存取存储器
- 随机存取 (random access):指的是当存储器中的消息被读取或写入时,所需要的时间与这段信息所在的位置无关
- 易失性 (volatile memory) :当电源关闭时RAM不能保留数据
RAM的结构

SRAM
Static Random Access Memory, SRAM
- 所谓的“静态”,是指这种存储器只要保持通电,里面储存的数据就可以一直保持
- SRAM基本存储单元由两个CMOS反相器组成。两个反相器的输入、输出交叉连接。这就能实现两个反相器的输出状态的锁定、保存,即储存了1个位元的状态
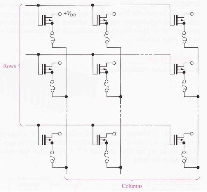
基本的SRAM阵列

DRAM
Dynamic Random Access Memory, DRAM
- DRAM利用电容存储电荷的多寡来代表二进制比特1或0。
- 由于电容会有漏电的现象,导致电位差不足而使记忆消失,因此除非电容经常周期性地充电,否则无法确保记忆长存
- 所谓的“动态”,是指这种这种需要定时刷新的特性
SRAM vs. DRAM
- DRAM结构简单,一般都拥有非常高的密度,成本较低。但DRAM也有访问速度较慢,耗电量较大的缺点。适合用于高储存密度低成本的场合,例如最常见的PC内存
- SRAM比DRAM占用面积更大,因此更为昂贵;但更为快速,且功耗非常低(特别是在空闲状态)。一般用于CPU或者GPU的高速缓存
只读存储器
- ROM存储的内容任何情况下都不会改变 (Nonvolatile)
- 电脑与用户只能读取保存在ROM的指令,使用存储在ROM的数据,但不能变更或存入数据
- ROM被存储在一个非易失性芯片上,也就是说,即使在关机之后记忆的内容仍可以被保存
ROM可以用来实现逻辑函数
ROM家族

ROM存储单元

ROM阵列

可编程只读存储器 PROM

- 需要存0时,通过编程,烧断熔丝;当需存1时,保留熔丝
- 编程为一次性的,烧断的熔丝不能再接上
可擦除可编程只读存储
Erasable Programmable Read Only Memory, EPROM
- 一组浮栅晶体管,被一个电子电路中常用电压更高电压的电子器件分别编程
- 一旦编程完成后,EPROM只能用强紫外线照射来擦除
电子抹除式可编程只读存储器
Electrically-Erasable Programmable Read-Only Memory,EEPROM
- 通过电子方式多次复写的半导体存储设备
- 相比EPROM,EEPROM不需要用紫外线照射,也不需取下,就可以用特定的电压,来抹除芯片上的信息,以便写入新的数据
- 广泛用于需要经常擦除的BIOS芯片以及闪存芯片,它与高速RAM成为当前(21世纪00年代后)最常用且发展最快的两种存储技术
快闪存储器 Flash Memory
- 在技术上属于EEPROM
- 一种特殊的、以宏块抹写的EEPROM
- 成本较可以字节为单位写入的EEPROM低很多
存储器地址译码
RAM的二维译码结构

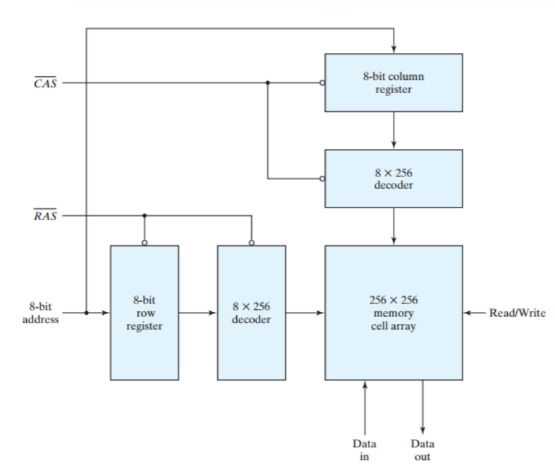
一个64kDRAM的地址复用示意

存储器扩展

位扩展

字扩展
