数模与模数转换

批注 2020-02-20 204802

实现模数转换的电路称模数转换器,Analog to Digital Converter

A/D转换

批注 2020-02-20 205159

采样: 将时间上连续变化的模拟量转换成时间上离散的模拟量过程

保持: 保持取样信号,使其有充分时间转换为数字信号

量化: 把取样保持电路的输出信号用单位量化电压的整数倍表示。一般有两种方法:只舍不入、有舍有入

编码: 把量化的结果用二进制代码表示

D/A转换

批注 2020-02-20 205407

实现数模转换的电路称数模转换器,简称 D/A 转换器或 DAC(Digital to Analog Converter)

权电阻网络DAC

A/D转换

直接A/D转换

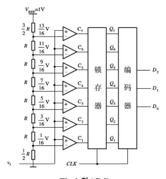
快速(并行/同步)A/D转换器

批注 2020-02-21 085831

逐次逼近型ADC

间接A/D转换

双积分型A/D转换